点击下方观看给袋式酱料包装机运行视频



石家庄奥羽全自动酱料/火锅底料给袋式包装机带酱料搅拌装置,防止微颗粒物料沉淀,带液位控制装置。全自动化操作,实现产品包装流水线作业,提高企业生产效率,大幅降低产品成本。符合食品加工机械的卫生标准,机器上与物料和包装袋接触的零部件均采用符合食品卫生要求的材料加工,拥有食品的卫生和安全。石家庄奥羽全自动酱料/火锅底料给袋式包装机适用于包装液体、浆体物料,如洗涤剂、酱油、果汁、番茄酱、辣椒酱、豆瓣酱等物料的袋装。

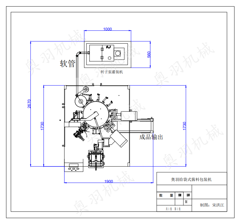
石家庄奥羽全自动酱料给袋式包装机主要功能:
在合理的成本下,创新解决各种问题,
包材损耗低,本机使用的是预制袋图案,封口质量好。
液体、酱体计量包装系统有旋转式包装机和液体灌装机组成
品质保证高速和稳定的生产
采用高质量的配件,保持机器的持久稳定
有防水系统使清洗更为方便;采用彩色触摸式显示屏,简单操作
与各种其他设备一体化
在合理的成本下,创新解决各种问题
包材损耗低,本机使用的预制袋图案好,封口质量好
石家庄奥羽酱料自动包装机配套设备:500公斤搅拌车+隔膜泵上料机

奥羽自动火锅底料包装机性能特点:
无袋或开袋不完整,不加料;
无袋或无加料,不封口;
开门停机报警(选配);
无色带停机报警;
气压不足,报警提示;
封口温度异常,报警提示;袋宽调节方便:由电机控制,只需通过一个按钮就可同步调节各组机夹;
操作简便:PLC控制,人机界面;
变频调速:使用变频调整装置,在规定范围内可随意调节速度;
与物料接触部分采用304不锈钢或食品级塑料,符合卫生要求
产品细节展示:


技术参数
技术型号 | AY8-200 | AY10-200 | AY8-260 | AY8-300 | AY8-360 | AY8-420 | AY8-M180 |
预制袋尺寸mm | W80-200 L80-400 | W100-200 L100-400 | W140-260 L100-400 | W190-300 L100-400 | W260-360 L100-500 | W300-420 L100-500 | W80-180 L100-400 |
包装速度包/分 | 22-55 | 20-80 | 25-45 | 10-30 | 10-45 | 10-20 | 10-45 |
机器重量千克 | 1400 | 1700 | 1500 | 1700 | 1800 | 2200 | 1200 |
包装范围克 | 10-1000(取决于产品类型) | 10-2500 | 10-3000 | 1000-500 | 10300 | ||
袋子类型 | 平袋、自立袋、拉链袋、异形袋、八边封袋、风琴袋、三角袋等 | ||||||


客服1